Advertise on fullfatrr.com »

Home > Technical (L322) > manual mode gm box
Post Reply  Down to end
Page 1 of 1
Print this entire topic · 
littlecub



Member Since: 02 Apr 2013
Location: Ulverstone,Tassie
Posts: 328

Australia 2003 Range Rover HSE Td6 Epsom Green
manual mode gm box

Calling RRPhil,
Your help is required please.

Transmission and TC fully rebuilt following reverse failure.
Manual mode doesnt work, under drive it behaves as if in drive, under deacceleration it neutralizes.
Any clues. Is it transmission,computer,selector or TC issue.
Transmission guy hasnt a clue.

This is from a guy is Australia who has this vehicle and isnt on this site but is on AULRO.
Thanks
littlecub

Post #726579 21st Oct 2025 6:25pm
View user's profile Send private message View poster's gallery Reply with quote
V8Ian



Member Since: 30 Oct 2022
Location: Queensland
Posts: 4

Australia 

Bump, I am here. Thumbs Up

Post #726628 22nd Oct 2025 1:44pm
View user's profile Send private message View poster's gallery Reply with quote
V8Ian



Member Since: 30 Oct 2022
Location: Queensland
Posts: 4

Australia 

Anyone?

Post #726876 26th Oct 2025 3:05am
View user's profile Send private message View poster's gallery Reply with quote
RRPhil



Member Since: 22 Aug 2011
Location: Blackburn, Lancashire
Posts: 1044

United Kingdom 

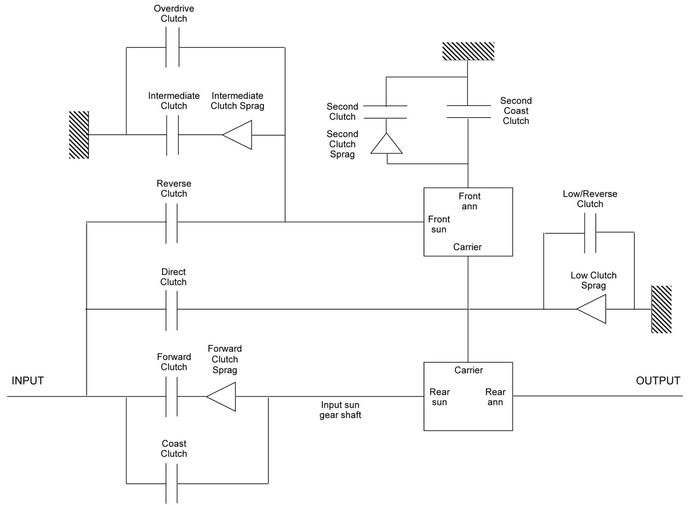
Back in the 90’s, ZF’s design philosophy was to reduce the number of sprags (one-way clutches) in their transmissions. The 5HP24 transmission had just one sprag clutch and that dropped to zero with the introduction of the 6-speed.

GM’s transmission designers, on the other hand, were massive fans of these “mechanical diodes” and the 5L40-E transmission uses no less than 4 of them.


These are great for automatically synchronising gearshifts but they mean that, during the overrun condition, the driveline disconnects from the engine and the vehicle freewheels. If the driver wants some engine braking he/she has to select Manual mode and then each sprag has a clutch which connects to either side of the sprag which is then engaged to by-pass the sprag to connect the engine to the wheels.


So, more specifically,

For 3rd gear the Overdrive Clutch is engaged to bypass the Intermediate Sprag

For 2nd gear the Second Coast Clutch is engaged to bypass the Second Sprag

For 1st gear the Low/Reverse Clutch is engaged to bypass the Low Sprag

Although you don’t explicitly state in which gears you don’t get overrun braking when in Manual mode, you seem to be saying that it’s all of them? The Coast Clutch is engaged to bypass the Forward Sprag in all gears other than Reverse and 5th. If you’re unable to achieve engine braking in 1st, 2nd, 3rd & 4th gears I would therefore suspect a Coast Clutch issue.

Phil

Post #726898 26th Oct 2025 10:33am
View user's profile Send private message View poster's gallery Post Reply
Post Reply  Back to top
Page 1 of 1
All times are GMT

Jump to  
Previous Topic | Next Topic >
Posting Rules
You cannot post new topics in this forum
You cannot reply to topics in this forum
You cannot edit your posts in this forum
You cannot delete your posts in this forum
You cannot vote in polls in this forum



Site Copyright © 2006-2025 Futuranet Ltd & Martin Lewis
fullfatrr.com RSS Feed - All Forums


Switch to Mobile site